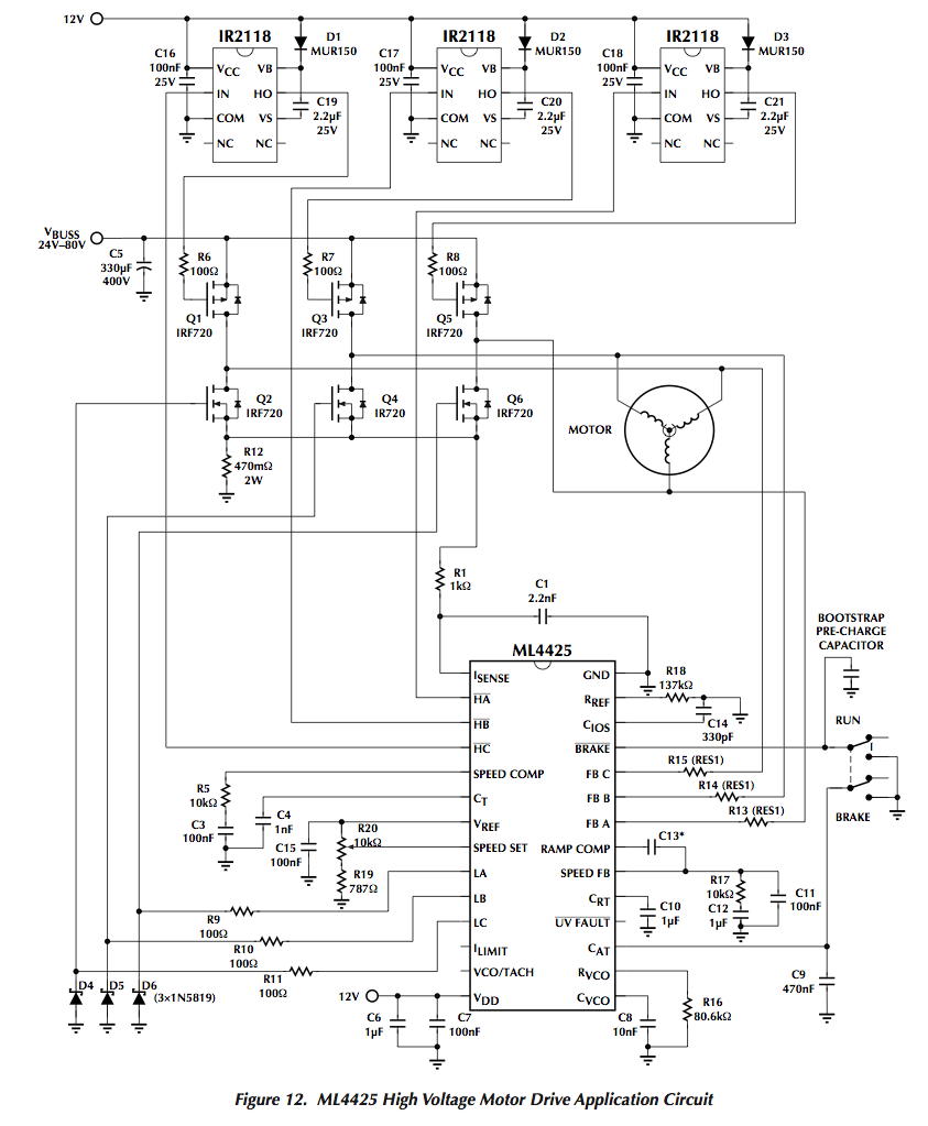
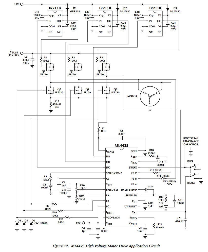
ელექტროტრანსპორტის დამზადება სახლის პირობებში, გაცილებით იაფი ჯდება:)
1 მომხმარებელი ათვალიერებს ამ თემას (1 სტუმარი და 0 უჩინარი წევრი)
0 წევრი:
ფორუმის სერვერების განთავსებას და ინტერნეტთან კავშირს უზრუნველყოფს: CLOUD9
[ Script Execution time: 0.0807 ] [ 12 queries used ] [ GZIP Disabled ]
Powered by Invision Power Board(U) v1.3 Final © 2003 IPS, Inc.
| |